控制阀技术交流平台
   用户名: 密码: 登录  忘记密码  会员免费注册     加入收藏夹 控制阀-调节阀技术
基础知识  |  技术文章  |  样本下载  |  新闻中心  |  展会中心  |  产品动画  |  经营管理  |  营销知识  |  企业招聘 返回首页
供应信息  |  求购信息  |  代理加盟  |  厂商名录  |  品牌列表  |  产品中心  |  采 购 商  |  客户留言  |  工 程 师 友情链接
上海大田阀门管道工程有限公司
联系方式
企业简介
产品中心
供求信息
资料下载
在线反馈
产品介绍    

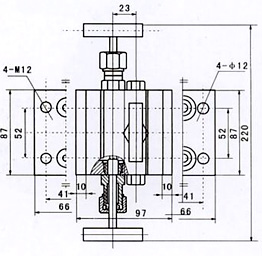
1151-1.6(32)型针型阀
发布厂商:上海大田阀门
 
详细参数    



主要性能规范
 

型号
Type
公称压力PN
Mpa
试验压力PS(Mpa)_Test pressure 工作压力(Mpa) Working pressure 工作温度(OC) Working temps. 适用介质Applicable medium
壳体
Shell
密封(液)Seal 密封(气)Seal
1151-40 4.0 6.0 4.4 0.6 4.0 P≤540OC 液化石油气水,酸,蒸汽,油品等 Petroleum gas Water,As,Steam,Oil,etc.
1151-320P 32.0 48.0 35.2 0.6 32.0 C≤425 OC


主要外形及连接尺寸
 

公称直径
DN(mm)
尺寸 Dimension 重量(kg)Weight
Do D1 H L L1 d
3-6 60 97 220 87 54 3-6 2.2
以下带有*号项为必填项      
反馈标题: *
您的姓名: *
公司名称:
联系方式: *
电子邮件:
反馈内容:
                  
关于chinacvw.com | 网站地图 | 诚聘英才 | 法律申明 | 隐私声明 | 友情链接 | 联系我们
客服热线:086-21-51028626 E-mail:Web@chinacvw.com 在线客服 :   展会合作:   售前咨询:  控制阀网QQ交流群:控制阀-调节阀技术
泵阀产品采购 泵阀产品推广
控制阀网 版权所有 2023 上海鸿脉信息技术有限公司 沪ICP备08026076号-5
免责声明:本网所展示的信息由企业自行提供,内容的真实性、准确性和合法性由发布企业负责。本公司对此不承担任何保证责任。
               如因内容、版权问题需本网停止转载的,请在本网发表之日起30日内联系,我们将在第一时间停止转载,否则视为放弃相关权利。