DKZ(ZKZ)型电动直行程电动执行机构以单相交流电源为动力,当与伺服放大器
配合时,接受统一的标准信号4mA—20mAdc(或0—10mAdc),将此信号转换成相对应
的机械直线位移,操纵简单,双座调节阀,套筒阀等,执行过程系统的调节任务:
特点
●位置发送器采用齿轮式传动,确保限位可靠准确
●采用带角度指示的精密导电塑料电位器调试方便,易懂
●电路采用环氧树脂封装的模块结构并经高低温老化,确保稳定可靠
●电机采用带过载保护的户外型伺服电机
型号编制说明
DKZ-310(CXH)
DK:普通型 Z:直行程 310:输出力
H:有“H”为户外型;无“H”为标准型(选择项)
C:有“C”表示反馈信号4-20mA, 无“C”表示反馈信号0-10mA
X:有“X”表示带电气限位,无“X”表示不带电气限位
技术参数
|
项目名称
|
DKZ标准型(不带H)
|
DKZ户外型(带H)
|
|
控制
机构
|
输入信号
|
无
|
|
反馈信号
|
0—10mAdc 4—20mAdc
|
|
死区
|
0.4%—3%
|
0.4%—3%
|
|
基本误差
|
±2.5%
|
±2.5%
|
|
回差
|
≤1.5%
|
≤1.5%
|
|
限位
|
开侧,闭侧
|
开侧,闭侧
|
|
开度检测
|
精密导电塑料电位器
|
精密导电塑料电位器
|
|
动力
|
动力
|
220V,50Hz
|
220V,50Hz
|
|
驱动电机
|
伺服电机
|
伺服电机
|
|
附属机构
|
加热器
|
选择件
|
选择件
|
|
手动机构
|
手轮
|
手轮
|
|
安装
条件
|
环境温度
|
无加热器—25℃~+70℃
|
无加热器—25℃~+70℃
|
|
相对湿度
|
<95%
|
<95%
|
|
环境气体
|
无腐蚀性气体
|
无腐蚀性气体
|
|
接线口
|
十四线插头
|
接线柱
|
|
防护等级
|
|
IP65
|
型号与规格
|
型号
|
额定负载
(N)
|
额定行程
(mm)
|
全行程时间
(S)
|
额定电流
(A)
|
质量
(Kg)
|
|
DKZ-310
DKZ-310H
|
4000
|
10
|
8
|
0.65
|
50
|
|
16
|
125
|
|
25
|
20
|
|
30
|
24
|
|
DKZ-410
DKZ-410H
|
6400
|
18
|
16
|
0.65
|
50
|
|
30
|
24
|
|
40
|
32
|
|
60
|
50
|
|
DKZ-510
DKZ-510H
|
16000
|
30
|
16
|
1.5
|
95
|
|
50
|
30
|
|
60
|
40
|
|
100
|
60
|
|
DKZ-610
DKZ-610H
|
25000
|
30
|
16
|
2.5
|
110
|
|
50
|
30
|
|
60
|
40
|
|
100
|
60
|

|
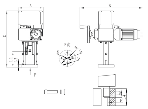
型号
|
长X宽X高
|
阀杆连接螺孔
|
法兰
|
法兰
|
法兰
|
公称通径
|
连接头至法兰底端
|
|
|
AXBXC
|
F
|
连接孔距E
|
连接孔距E
|
吻合内径G
|
Dg
|
行程
|
L
|
|
DKZ310
|
230X460X490
|
M8
|
Φ80
|
2一Φ11
|
Φ60
|
25, 32,
40, 50
|
10
|
85.5
|
|
16
|
79.5
|
|
25
|
70.5
|
|
DKZ410
|
230X530X540
|
M12X1.25
|
Φ105
|
4一Φ11
|
Φ80
|
65,80,100
|
40
|
107
|
|
230X460X575
|
M16X1.5
|
Φ118
|
4一Φll
|
Φ95
|
125,150
|
60
|
112
|
|
DKZ510
|
260X630X625
|
M16X1.5
|
Φ118
|
4一Φll
|
Φ95
|
200
|
60
|
113
|
|
260X630X645
|
M20X1.5
|
Φ130
|
4一Φ18
|
Φ100
|
300,250
|
100
|
93
|
|
DKZ610
|
260X720X625
|
M16X1.5
|
Φ118
|
4一Φ1l
|
Φ95
|
400,500
|
60
|
113
|
|
260X720X645
|
M20X1.5
|
Φ130
|
4一Φ18
|
Φ100
|
500,600
|
100
|
93
|


订货须知
订货时请用户提供以下资料:
●电动执行器名称,型号,行程
●伺服放大器是否需要配置,若需要,请注明名称,型号
●本产品适配的的伺服放大器型号如下:ZPE—2030 ZPE—3101
●其它特殊要求(如防护等级要求,输入信号要求)
●行程可以根据用户特殊设计,输出轴用开合螺母连接时请用户说明
|