ZJJV气动V型调节球阀概述
ZJJV气动V型调节球阀,阀芯上开有V型切口,与硬密封阀座相对转动产生剪切力,可将纤维切断,防止卡死。实现对压力、流量、温度、液位等参数的调节。具有流通能力,调节精度高,可调比大,密封性好,重量轻等特点。适用于除小口径,角型、三通连接外的大部分场合,是替代进口产品的最佳产品,特别适用于泥浆和含有纤维性介质,以及含有微小固体悬浮物介质的调节。广泛应用于造纸业、制糖、石油、化工、冶金等行业的工业过程自动控制系统中。
ZJJV气动V型调节球阀技术参数及性能:
阀体部分
| 阀体型式: |
直通铸造球阀 |
| 公称通径: |
DN25 、32 、40 、50 、 |
| |
65 、80 、100 、200 、250、300 |
| 公称压力: |
PN1.6、2.5、4.0、6.4Mpa |
| |
ANSI150、 300Lb |
| |
JIS10K、20K、30K |
| 连接方式: |
法兰FF、RF、RTJ、等 |
| |
对夹 |
| 法 兰 距: |
符合IEC 534 |
| 阀盖形式: |
一体式 |
| 填料: |
V型聚四氟乙烯、柔性石墨填料等 |
| 密 封 垫: |
气动活塞式执行机构 |
| 执行机构: |
气动:多弹簧执行机构 |
| |
电动:DTR系列 、 3810L 系列 、PSL系列 |
阀内部件
| 阀芯型式: |
V形缺口半球体 |
| 流量特性: |
近似等百分比 |
| 内件材质: |
标准材质组合及使用温度、压力范围请参阅附表 |
表1.可提供的用户选择
| 阀体 |
型式 |
直通 |
阀盖 |
一体式 |
| 材质 |
WCB、CF8、CF8M等 |
| 阀芯 |
特性 |
近等百分比 |
填料 |
“V”型PTFE、柔性石墨 |
| 材质 |
304、304+STL/PTFE、316、316+STL/PTFE |
| 执行器 |
气动活塞式执行机构 |
| PSQ系列、DTR、3810系列角行程执行机构。 |
| 定位器 |
电气阀门定位器、智能型数字定位器 |
| 附件 |
电磁阀、阀位反馈器、手操机构、保位阀、空气过滤减压器等 |
ZJJV气动V型调节球阀结构性能及特点
※V形球阀芯上具有近似等百分比流量特性的V形和具有近似线性流量特性的U形二种缺口形式,
因而无须通过定位器调整,即能实现不同流量特性的流量控制。 |
| ※可调比可达到300:1,远大于直通单、双座调节阀。 |
| ※结构简单、维护方便。体积较小、易于安装。 |
| ※由于V形球阀流路简单、流阻较小,因而流通能力较大。。 |
|

|
ZJJV气动V型调节球阀特性曲线
 |
 |
※具有较高的密封等级,软密封结构的泄漏等级为GB/T4213VI级。
硬功夫密封结构的泄漏等级为GB/T4213IV级。 |
| ※正、反作用方式变换较为方便,只需将阀芯初始位置旋转 90℃ ,既能实现作用方式的转换。 |
|
V形球阀规格参数表:
| 公称通径DN |
25 |
32 |
40 |
50 |
65 |
80 |
100 |
125 |
150 |
200 |
250 |
300 |
| 流量系数(Kv) |
25 |
40 |
63 |
100 |
160 |
250 |
350 |
680 |
990 |
1600 |
2500 |
4000 |
| 动作范围 |
0-90° |
| 允许压差△P |
小于公称压力(1.6MPa) |
| 泄漏量Q |
小于额定KV 0.01% |
| 环境温度℃ |
-20~60℃ |
| 基本误差 |
±2% |
| 回差 |
±2% |
| 死区 |
1% |
| 可调范围 |
300:1 |
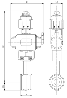
气动V型调节阀外形尺寸
 |
公称通径 |
L |
L1 |
L2 |
H1 |
H2 |
| 双作用 |
单作用 |
双作用 |
单作用 |
双作用 |
单作用 |
| 25 |
102 |
203 |
290 |
100 |
137 |
77 |
486 |
529 |
| 32 |
102 |
203 |
290 |
100 |
137 |
95 |
492 |
535 |
| 40 |
114 |
203 |
290 |
100 |
137 |
95 |
347 |
540 |
| 50 |
124 |
203 |
290 |
100 |
137 |
100 |
497 |
555 |
| 65 |
143 |
203 |
290 |
100 |
137 |
115 |
522 |
565 |
| 85 |
165 |
216 |
368 |
120 |
172 |
125 |
570 |
638 |
| 100 |
194 |
216 |
368 |
120 |
172 |
125 |
580 |
648 |
| 125 |
213 |
368 |
368 |
172 |
172 |
155 |
610 |
658 |
| 150 |
229 |
368 |
450 |
172 |
224 |
165 |
573 |
780 |
| 200 |
243 |
368 |
450 |
172 |
224 |
195 |
723 |
800 |
| 250 |
297 |
450 |
583 |
224 |
272 |
235 |
860 |
907 |
| 300 |
338 |
450 |
662 |
224 |
272 |
275 |
915 |
962 |
|