● 概述
我公司生产的精小型气动球阀是引进国外先进技术的基础上进行特殊设计、精心制造的产品。与阀门定位器配套后可实现智能控制定位,输入4~20mADC信号及0.4~0.7MPa气源即可控制运转,实现对压力、流量、温度、液位等参数的调节。该产品按其密封性能分为金属硬密封和软密封。气动执行机构又分为双作用型和单作用型两种。它具有结构紧凑,体积精小,运行可靠,密封性好,维修容易,安装方便,适应性强等优点。可广泛应用于石油、化工、轻纺、制药、造纸等工业自动控制系统中作远距离集中控制或就地控制。
● 阀体
形式:直通铸造或锻造阀、台湾三片式球阀,超短型 对夹式球阀
公称通径:15——300mm
公称压力:PN1.6、4.0、6.4MPa、31.5MPa
连接形式:法兰按JB78-59 JB79-59
材料:HT200 ZG251 ZG1Cr18Ni9 WCB ZG0Cr17Ni12Mo2 衬制 聚四氟乙烯
上阀盖:常温型:-20℃~180℃
散热型:180℃~450℃
低温型:-70℃~80℃
压盖形式:螺栓压紧式
填料:V形聚四氟乙烯填料,含浸聚四氟乙烯填料,石棉编制织填料,耐高温碳纤维填料
● 主要技术参数
流量特性:具有理想流量特性表
|
公称通径
|
不同开度下的Kv值
|
|
温度℃
|
10
|
20
|
30
|
40
|
50
|
60
|
70
|
80
|
90
|
|
50
|
2
|
4
|
9
|
17
|
32
|
60
|
97
|
151
|
215
|
|
80
|
6
|
11
|
22
|
44
|
83
|
155
|
250
|
389
|
550
|
|
100
|
9
|
18
|
35
|
71
|
133
|
248
|
398
|
620
|
890
|
|
150
|
20
|
40
|
80
|
160
|
300
|
560
|
900
|
1400
|
2000
|
|
200
|
36
|
72
|
143
|
286
|
737
|
1002
|
1611
|
2506
|
3580
|
|
250
|
57
|
113
|
226
|
453
|
848
|
1582
|
2543
|
3955
|
5650
|
|
300
|
81
|
163
|
325
|
651
|
1220
|
2278
|
3661
|
5695
|
8100
|
● 规格参数
|
公称通径DN
|
15
|
20
|
25
|
32
|
40
|
50
|
65
|
80
|
100
|
125
|
150
|
200
|
250
|
300
|
|
流量系数(Kv)
|
20
|
38
|
74
|
110
|
170
|
218
|
383
|
560
|
890
|
1420
|
2025
|
3598
|
5675
|
8135
|
|
可调动作范围
|
0~90º
|
|
允许压差ΔP
|
小于公称压力PN1.6 MPa
|
|
泄漏量Q
|
按API598标准测试 无泄漏
|
|
环境温度℃
|
-20~90℃
|
|
基本误差
|
±2%带定位器
|
|
回差
|
±2%带定位器
|
|
死区
|
0.6%带定位器
|
|
可调范围
|
100:1
|

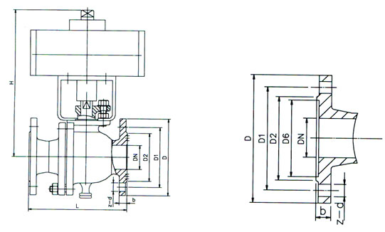
● V63441主要外形尺寸(法兰式)
|
DN
|
L
|
H
|
D
|
D1
|
D2
|
b
|
Z-d1
|
|
15
|
130/130/140
|
249
|
95
|
65
|
45
|
14/16/16
|
4-Ø14
|
|
20
|
140/140/150
|
252
|
105
|
75
|
55
|
14/16/16
|
4-Ø14
|
|
25
|
150/150/165
|
265
|
115
|
85
|
65
|
14/16/16
|
4-Ø14
|
|
32
|
165/165/180
|
268
|
135
|
100
|
78
|
16/18/18
|
4-Ø14
|
|
40
|
180/180/200
|
295
|
145
|
110
|
85
|
16/18/18
|
4-Ø18
|
|
50
|
200/200/200
|
302
|
160
|
125
|
100
|
16/20/20
|
4-Ø18
|
|
65
|
220/220/250
|
392
|
180
|
145
|
120
|
18/22/22
|
4-Ø18
|
|
80
|
250/250/280
|
528
|
195
|
160
|
135
|
20/22/22
|
4-Ø18/8-Ø18/8-Ø18
|
|
100
|
280/280/320
|
543
|
215/230/230
|
180/190/190
|
155/160/160
|
20/24/24
|
8-Ø18
|
|
125
|
320/320/360
|
575
|
245/270/270
|
210/220/220
|
185/188/188
|
24/28/30
|
8-Ø18/8-Ø23/8-Ø23
|
|
150
|
360/360/400
|
614
|
280/300/300
|
295/310/320
|
210/218/218
|
2/28/30
|
8-Ø23/8-Ø25/8-Ø25
|
|
200
|
400/400/550
|
820
|
295/310/320
|
295/310/320
|
265/278/282
|
26/34/38
|
12-Ø23/12-Ø25/12-Ø30
|
|