● 概述
V02741式煤气安全切断阀不仅克服了目前国内常用的电动切断阀切断速度慢、控制复杂等缺点,而且断电时也能立即切断煤气、保证生产安全。本产品主要有电磁式启动器和密封性能良好的蝶阀配套组合而成,具有结构简单、操作方便、工作可靠、切断速度快和密封性能良好等优点。现代以煤气为燃料的各种工业窑炉大多均采用低压煤气烧咀,由专用风机提供助燃空气,大多数的窑炉还采用了空气预热装置。在生产过程中,一旦煤气或空气压力过低,烧咀不能正常工作时,应立即将煤气切断并停转风机(特别情况除外)。这样即可保证生产安全,又不致于使炉子迅速变冷。若煤气未能及时切断,煤气或空气低压时,有可能通过烧咀的混合器,煤气进入风管,或空气进入煤气管道。特别是有预热装置的风管,由于温度下降会形成一个负压,更易使煤气进入风管,而后在风管风内或炉内形成爆炸的混合物,当再次点火时往往会引起爆炸,酿成事故。这样情况曾屡有发生,本产品正式针对这些情况而开发设计的,是以煤气为燃料的各种工业炉,窑生产安全不可缺少的理想设备。
● 技术规格、性能指标
|
公称通径DNmm
|
100
|
150
|
200
|
250
|
300
|
350
|
400
|
450
|
500
|
600
|
700
|
800
|
900
|
1000
|
|
公称压力Mpa
|
0.1MPa
|
|
介质温度
|
-20~+180℃
|
|
转角范围
|
0~90°
|
|
阀体材料
|
阀体、阀板:Q235-A钢3,1Cr18Ni9Ti;轴:2Cr13;阀座: 1Cr18Ni9Ti
|
|
软密封材料
|
耐油橡胶或聚四氟乙烯密封圈
|
|
法兰标准
|
GB9115.1-1988
|
|
驱动电磁铁
|
供电:AC220V。容量:100~300VA(口径愈大配用电磁铁容量愈大些。)
|
|
控制信号
|
开、关电接点信号
|
|
阀位反馈信号
|
开、关位极限行程开关接点信号。接点容量:AC220V.3A
|
|
动作方式
|
电磁铁得电阀开,断电时阀靠重锤及流体压力,开始自动关闭
|
|
切断时间
|
1秒~1.5秒
|
|
泄漏量
|
近于“零泄漏”
|
|
环境温度
|
-20~+60℃(无腐蚀,爆炸性气体)
|
|
选购附件
|
配套产品:WP-X803A型闪光信号报警控制器
|
注:特殊规格、性能要求,本公司可予协商供货
● 电磁式快速安全切断阀控制器(WP-X803A型闪光灯信号报警控制器)
我公司配套开发生产的WP-X803A型闪光信号报警控制器是为ZDFC速煤气安全切断配套产品,是目前最新一代的智能化仪表.
1) 采用逻辑识别技术,适用于各种逻辑变量的输入。
2) 由于采用最新的微电脑技术,使仪表功能更加完善,且抗震性,抗腐蚀及工作稳定性较高。
3) 采用了卡入式结构设计,安装尺寸与国产XXS系列闪光信号报警兼容,便于安装、维修、调换。
● 主要技术指标
1)各输入点状态指示灯:六个LED灯分别指示相应的输入通道状态。其中四个为一至四路报警指示灯,另两个为阀门开/关极限位,位置指示灯。
2)输入信号:继电器通/断开关量信号以及TTL电平信号。
3) 输出;LED显示输出,指示“报警”信号;仪表内部设置蜂鸣器;继电器(触点容量3A/240VAC,5A/24VDC,阻性负载)通/断,控制外接讯响装置,提示有“报警”信号,用仪表面表上和消音按钮让讯响器和内部蜂鸣器停“鸣”。控制阀门供电输出,当报警时,阀门断电。
4)电源:180-240VAC 48-52HZ
功耗:小于5VA
5)操作环境:环境温度0~50℃,湿度:小于90%,应避免强腐蚀性气体。
6)外形尺寸:80(高)×160(宽)×140(深)mm
7)开孔尺寸:76(高)×152(宽)mm


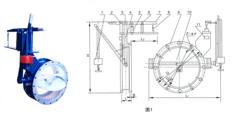
1、重锤 2、手动锁固销 3、锁销 4、传动杆 5、牵引电磁铁 6、活动支点
7、杠杆 8、拉伸弹簧 9、阀体 10、阀板 11、接线端子盒
● V02741型电磁式煤气安全切断阀尺寸表
|
DN
|
D
|
D1
|
D2
|
L
|
L1
|
L2
|
H
|
D
|
Z-фd
|
|
100
|
210
|
170
|
144
|
127
|
360
|
250
|
550
|
14
|
4-18
|
|
150
|
265
|
225
|
199
|
140
|
410
|
250
|
590
|
16
|
8-18
|
|
200
|
320
|
280
|
254
|
152
|
465
|
250
|
640
|
18
|
8-18
|
|
250
|
375
|
335
|
309
|
165
|
520
|
250
|
690
|
22
|
12-18
|
|
300
|
440
|
395
|
263
|
178
|
580
|
300
|
740
|
22
|
12-23
|
|
350
|
490
|
445
|
413
|
190
|
630
|
300
|
790
|
22
|
12-23
|
|
400
|
540
|
495
|
463
|
216
|
680
|
300
|
840
|
22
|
16-23
|
|
450
|
595
|
550
|
518
|
222
|
740
|
300
|
880
|
24
|
16-23
|
|
500
|
645
|
600
|
568
|
229
|
780
|
300
|
930
|
24
|
16-23
|
|
600
|
755
|
705
|
667
|
267
|
895
|
400
|
1020
|
24
|
20-25
|
|
700
|
860
|
810
|
772
|
292
|
1010
|
400
|
1100
|
24
|
20-25
|
|
800
|
975
|
920
|
878
|
318
|
1125
|
400
|
1190
|
26
|
24-30
|
|
900
|
1075
|
1020
|
978
|
330
|
1225
|
400
|
1280
|
26
|
24-30
|
|
1000
|
1175
|
1120
|
1078
|
410
|
1345
|
500
|
1360
|
28
|
28-30
|
|