● 概述
V73441型电动球阀采用一体化机构,有输入控制信号(4—20mADC或1—5VDC)及单相电源既可控制运转,具有功能强、性能可靠、配套简单、流通能力大,特别适合于介质是粘稠,含颗粒,纤维性质的场合。目前盖阀广泛应用于食品、环保、轻工、石油、造纸、化工、教学和科研设备、电力等行业的工业自动控制系统中。
● 阀体:
形式:直通铸造或锻造阀、台湾三片式球阀,
公称通径:15——300mm
公称压力:PN1.6、4.0、6.4MPa、31.5MPa
连接形式:法兰按JB78-59 JB79-59
材料:HT200 ZG251 ZG1Cr18Ni9 WCB ZG0Cr17Ni12Mo2 衬制聚四氟乙烯
上阀盖:常温型:-20℃~180℃
散热型:180℃~450℃
低温型:-70℃~80℃
压盖形式:螺栓压紧式
填料:V形聚四氟乙烯填料,含浸聚四氟乙烯填料,石棉编制织填料,耐高温碳纤维填料
● 电动调节球阀规格参数
|
公称通径DN
|
15
|
20
|
25
|
32
|
40
|
50
|
65
|
80
|
100
|
125
|
150
|
200
|
250
|
300
|
|
流量系数(Kv)
|
20
|
38
|
72
|
110
|
170
|
215
|
380
|
550
|
890
|
1400
|
2000
|
3580
|
5650
|
8100
|
|
可调动作范围
|
0—90°
|
|
允许压差△P
|
小于公称压力(1.6MPa)
|
|
泄漏量Q
|
按API598标准测试 无泄漏
|
|
环境温度℃
|
-20~60℃
|
|
基本误差
|
±2.5%
|
|
回差
|
±2.5%
|
|
死区
|
1%
|
|
可调范围
|
250:1
|
350:1
|
|
配用执行机构
|
PSQ101,3610RSA—05
YJR—05 YJR—10
|
PSQ201, YJR—20, 3610RSC—30
|
YJR—40
3610RSC—50
|
PSQ701
YJR—60
|
|
配用执行机构
|
PSQ101,3610RSA—05
YJR—05 YJR—10
|
PSQ201, YJR—20, 3610RSC—30
|
YJR—40
3610RSC—50
|
PSQ701
YJR—60
|

● V73411型三块式电动丝扣式球阀外形尺寸
|
公称通径DN
|
G
|
L
|
H
|
L1
|
公称通径DN
|
G
|
L
|
H
|
L1
|
|
15
|
1/2”
|
75
|
275
|
157
|
32
|
11/4”
|
40
|
297
|
208
|
|
20
|
3/4”
|
80
|
280
|
157
|
40
|
11/2”
|
120
|
312
|
208
|
|
25
|
1”
|
90
|
287
|
157
|
50
|
2”
|
140
|
325
|
208
|
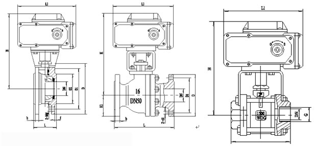
● V73441型电动球阀外形尺寸
|
公称通径
DN/mm
|
尺 寸/mm
|
|
L
|
D1
|
H
|
H1
|
L1
|
D1
|
b
|
Z-фd1
|
|
压力
|
1.6/2.5/4.0
|
1.6/2.5/4.0
|
|
|
|
1.6/2.5/4.0
|
1.6/2.5/4.0
|
1.6/2.5/4.0
|
|
15
|
130/130/140
|
95
|
275
|
48
|
157
|
65
|
14/16/16
|
4-14
|
|
20
|
140/140/150
|
105
|
280
|
53
|
157
|
75
|
14/16/16
|
4-14
|
|
25
|
150/150/165
|
115
|
287
|
58
|
157
|
85
|
14/16/16
|
4-14
|
|
32
|
165/165/180
|
135
|
384
|
68
|
208
|
100
|
16/18/18
|
4-18
|
|
40
|
180/180/200
|
145
|
312
|
73
|
208
|
110
|
16/18/18
|
4-18
|
|
50
|
200/200/220
|
160
|
325
|
80
|
208
|
125
|
16/20/20
|
4-18
|
|
65
|
220/220/250
|
180
|
335
|
90
|
256
|
145
|
18/22/22
|
4-18/8-18/8-18
|
|
80
|
250/250/280
|
195
|
365
|
98
|
256
|
160
|
20/22/22
|
8-18
|
|
100
|
280/280/320
|
215/230/230
|
400
|
120
|
256
|
180/190/190
|
20/24/24
|
8-18/8-23/8-23
|
|
125
|
320/320/360
|
245/270/270
|
420
|
140
|
256
|
210/220/220
|
24/28/30
|
8-23/8-25/8-25
|
|
150
|
360/360/400
|
280/300/300
|
440
|
167
|
256
|
240/250/250
|
24/28/30
|
8-23/8-25/8-25
|
|
200
|
400/400/550
|
335/360/375
|
470
|
210
|
256
|
295/310/320
|
26/34/38
|
12-23/12-25/12-30
|
|
250
|
630/630/750
|
405/470/470
|
545
|
|
380
|
|
|
|
|
300
|
750/750/780
|
460/460/530
|
580
|
|
380
|
|
|
|
● V73471超短型电动对夹式球阀外形尺寸
|
公称通径DN
|
L
|
H
|
D
|
D1
|
D2
|
b
|
f
|
L1
|
Z—md
|
|
25
|
42
|
287
|
110
|
85
|
85
|
65
|
14/16
|
2
|
4/-m12
|
|
32
|
50
|
297
|
130
|
100
|
100
|
78
|
16/18
|
2
|
4/-m16
|
|
40
|
60
|
312
|
145
|
110
|
110
|
85
|
16/18
|
3
|
4/-m16
|
|
50
|
70
|
325
|
160
|
125
|
125
|
100
|
16/20
|
3
|
4/8-m16
|
|
65
|
95
|
335
|
180
|
145
|
145
|
120
|
18/22
|
3
|
4/8-m16
|
|
80
|
118
|
365
|
190
|
160
|
160
|
135
|
20/22
|
6
|
8-m16
|
|
100
|
140
|
400
|
215/230
|
210/220
|
155/160
|
155/160
|
20/28
|
3
|
8-m16/20
|
注;表根据xx/xx表示压力:1.6MPa/2.5MPa |