控制阀技术交流平台
   用户名: 密码: 登录  忘记密码  会员免费注册     加入收藏夹 控制阀-调节阀技术
基础知识  |  技术文章  |  样本下载  |  新闻中心  |  展会中心  |  产品动画  |  经营管理  |  营销知识  |  企业招聘 返回首页
供应信息  |  求购信息  |  代理加盟  |  厂商名录  |  品牌列表  |  产品中心  |  采 购 商  |  客户留言  |  工 程 师 友情链接
浙江永久科技实业有限公司
联系方式
企业简介
产品中心
供求信息
资料下载
在线反馈
产品介绍    

V73771型电动调节蝶阀
发布厂商:浙江永久科技实业有限公司
 
详细参数    

● 概述
    V73771型电动蝶阀采用一体化机构,有输入控制信号(有输入信号(4—20mADC或1—5VDC)及单相电源即可控制运转,具有功能强,体积小,轻便宜人,性能可靠,配套简单,流通能力大,特别适合于介质是粘稠,含颗粒,纤维性质的场合。它广泛应用于食品、环保、轻工、石油、化工、教学设备、造纸、电力等行业的工业过程自动控制系统中。

● 阀体
公称压力:PN1.6MPa 2.5MPa,4.0MPa,6.4MPa
材   料:WCB,HT200,ZG251,ZG1Gr18Ni9Ti,ZG1Gr18Ni12MoTi,CF8,CF8M衬四氟乙烯
温度范围:常温-40℃~180℃ 中温-40℃~450℃
填     料:柔性石墨、V型聚四氟乙烯,含浸聚四氟乙烯,石棉编织填料

● 阀内组件
阀芯形式:阀板
流量特性:直线性,等百分比
材    料:1Gr18Ni9Ti,0Or17Ni12Mo2
阀座材料:乙丙橡胶、聚四氟乙烯、氟橡胶、合金钢、巴金铜
阀杆材料:不锈钢,衬四氟乙烯
可调比:300:1

● V73771蝶阀的规格性能表

公称通径(DN)
50
65
80
100
125
150
200
250
300
350
400
流量系数Kv
110
180
232
368
545
735
1240
2025
2712
3875
5038
动作范围
0~90º
连接方式
法兰、对夹
允许压差ΔP
小于公称压力1.6MPa
泄漏量Q
按GB/T4213-92标准测试   无泄/漏
基本误差
±2.5%  
回差
2.5%  
死区
1%      
环境温度
-20℃~60℃
工作介质
按材质适应水、蒸汽、石油、硝酸、醋酸等腐蚀性介质   
连接法兰
JB/T74-90  GB9113.1-9113.26  ANSIB16.10
试验与检验
GB/T13927   API598

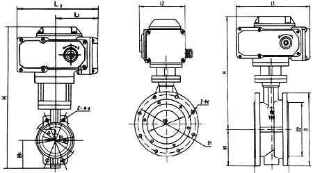
● V73771电动对夹式蝶阀外形尺寸

公称通径DN
L
H
H1
D1
Z—d
D
L1
L2
50
43
452
80/112
120/125
4-18
165
208
120
65
46
475
88/115
136/145
4-18
185
208
120
80
46/49
516
96/120
160/
8-18
220
208
120
100
52/56
551
115/140
185
8-18
220
208
120
125
56/64
566
128/170
210
8-18
220
208
120
150
56/70
606
140/180
240
8-22
285
256
156
200
60/71
731
175/210
295
8-22
340
256
156
250
68/76
778
202/240
355
12-22
395/405
256
156
300
78/83
830
242/290
410
12-22
445/460
256
156
350
78/92
996
266/320
470
16-22
505/520
346
156
400
102
1058
298/350
515/525
16-26
565/580
346
156

注:表中数据xx/xx,“L、H1”为软密封/硬密封;“D1、D”为压力1.0 MPa/1.6MPa


● V73741电动法兰式蝶阀外形尺寸

公称通径DN
L
H
H1
D1
Z—dd
D
L1
L2
50
108
539
83/112
165
125
4-18
208
120
65
112
554
93/115
185
145
4-18
208
120
80
114
569
100/120
200
160
8-18
208
120
100
127
614
110/138
220
180
8-18
208
120
125
140
649
125/164
250
210
8-18
208
120
150
140
725
1425/175
285
240
8-22
256
156
200
152
835
170/208
340
295
8-22/2-22
256
156
250
165
890
1925/243
395/405
350
12-22/12-26
256
156
300
178
995
2225/283
445/460
400
12-22/12-26
256
156
350
190
1155
2525/310
505/520
460
16-22/16-26
346
156
400
216
1225
2825/580
565/580
515
16-26/16-30
346
156

注:表中数据xx/xx,“H”列为软密封/硬密封;“D、Z—dd”列压力1.0 MPa/1.6MPa
 

以下带有*号项为必填项      
反馈标题: *
您的姓名: *
公司名称:
联系方式: *
电子邮件:
反馈内容:
                  
关于chinacvw.com | 网站地图 | 诚聘英才 | 法律申明 | 隐私声明 | 友情链接 | 联系我们
客服热线:086-21-51028626 E-mail:Web@chinacvw.com 在线客服 :   展会合作:   售前咨询:  控制阀网QQ交流群:控制阀-调节阀技术
泵阀产品采购 泵阀产品推广
控制阀网 版权所有 2023 上海鸿脉信息技术有限公司 沪ICP备08026076号-5
免责声明:本网所展示的信息由企业自行提供,内容的真实性、准确性和合法性由发布企业负责。本公司对此不承担任何保证责任。
               如因内容、版权问题需本网停止转载的,请在本网发表之日起30日内联系,我们将在第一时间停止转载,否则视为放弃相关权利。