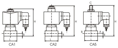
CA1常闭式:平常阀闭、通电阀开
CA2常开式:平常阀开、通电阀闭
CA5二位三通式:


★产品特点
通用性强:适用于多种液体和气体。
动作可靠:直动式、零压差可工作。
防尘防水:采用塑封线圈。
★技术参数
|
通 径 mm
|
1.5~50
|
|
压 力 MPa
|
-0.1~3
|
|
介 质 温 度 ℃
|
D组 -10~+60 X组 0~+150
F组-10~+180
|
|
泄 漏 量 ml/min
|
0
|
| 型 号 |
通径mm 项目 |
Kv值 |
最高工作压差MPa |
|
消耗功率 |
接口及外形尺寸 |
| 空气 |
水、温水、轻油 |
油50cSt以下 |
蒸汽 |
AC |
DC |
接口 |
L |
H |
| AC |
DC |
AC |
DC |
AC |
DC |
AC |
W |
内螺 |
| CA1 |
1.5 |
0.05 |
3.0 |
2.5 |
3.0 |
2.5 |
3.0 |
2.5 |
2.0 |
6.7 |
11 |
M10×1 |
40 |
75 |
| 2 |
0.08 |
2.5 |
1.6 |
2.0 |
2.5 |
1.6 |
1.6 |
1.6 |
| 3 |
0.16 |
1.6 |
0.9 |
1.6 |
0.8 |
0.9 |
0.8 |
1.2 |
| 4 |
0.25 |
1.0 |
0.5 |
0.8 |
0.5 |
0.5 |
0.5 |
0.8 |
| 5 |
0.32 |
0.6 |
0.25 |
0.4 |
0.25 |
0.25 |
0.25 |
0.4 |
M14×1.5 |
50 |
90 |
| 6 |
0.54 |
0.4 |
0.2 |
0.4 |
0.2 |
0.2 |
0.2 |
0.3 |
| 8 |
0.80 |
0.3 |
0.15 |
0.3 |
0.15 |
0.15 |
0.15 |
0.2 |
| 10 |
1.4 |
0.3 |
0.15 |
0.3 |
0.15 |
0.2 |
0.15 |
0.3 |
11 |
20 |
G3/8 |
60 |
108 |
| 12 |
2 |
0.3 |
0.15 |
0.3 |
0.15 |
0.2 |
0.15 |
0.3 |
11 |
20 |
G1/2 |
60 |
108 |
| 25 |
9 |
0.02 |
0.02 |
0.02 |
0.02 |
0.02 |
0.02 |
0.02 |
44 |
44 |
G1 |
105 |
180 |
| 40 |
18 |
0.02 |
0.02 |
0.02 |
0.02 |
0.02 |
0.02 |
0.02 |
66 |
66 |
G1'/2 |
140 |
226 |
| 50 |
28 |
0.02 |
0.02 |
0.02 |
0.02 |
0.02 |
0.02 |
0.02 |
66 |
66 |
G2 |
160 |
236 |
| CA2 |
1.5 |
0.05 |
2.0 |
2.0 |
2.0 |
2.0 |
2.0 |
2.0 |
1.0 |
8.7 |
15.5 |
M10×1 |
40 |
88 |
| 2.0 |
0.08 |
1.0 |
1.0 |
1.0 |
1.0 |
1.0 |
1.0 |
1.0 |
| 3.0 |
0.16 |
0.7 |
0.7 |
0.7 |
0.7 |
0.7 |
0.7 |
0.7 |
| 4.0 |
0.25 |
0.4 |
0.4 |
0.4 |
0.4 |
0.4 |
0.4 |
0.4 |
| 5.0 |
0.32 |
0.2 |
0.2 |
0.2 |
0.2 |
0.2 |
0.2 |
0.2 |
| CA5 |
2.0 |
0.08 |
1.0 |
0.6 |
1.0 |
0.6 |
0.7 |
0.4 |
0.8 |
8.7 |
15.5 |
M10×1 |
93 |
| 3.0 |
0.16 |
0.6 |
0.3 |
0.6 |
0.3 |
0.6 |
0.3 |
0.6 |
| 4.0 |
0.25 |
0.4 |
0.2 |
0.4 |
0.2 |
0.4 |
0.2 |
0.4 |
| 5.0 |
0.32 |
0.2 |
0.1 |
0.2 |
0.1 |
0.2 |
0.1 |
0.2 |
|