★产品特点
流 量 大 比普通阀提高10%
外 形 巧 精巧美观
★特殊品种
CC-M:多功能电磁阀
功 能 多 兼具手动功能
导阀与主阀可隔离
开阀时间可调
适用介质较广
维 修 便 导阀出现故障时,可隔离导阀,进行在线检修,省去旁路及三只手动阀。
CC-X:阀位信号电磁阀
CC2:常开电磁阀

★技术参数
|
项 目
|
说 明
|
|
工作介质
|
空气、煤气、水、轻油、油
|
热水
|
蒸汽
|
|
介质温度 ℃
|
-10~60
|
0~150
|
-10~180
|
|
环境温度 ℃
|
-20~60
|
-10~100
|
|
最高工作压力 MPa
|
AC:1.6 DC:0.8
|
|
最小工作压差 MPa
|
0.05
|
|
泄漏量 ml/min
|
0 F4:0.3
|
|
电源电压 V
|
AC220 DC24V 其余作特需
|
|
消耗功率 W
|
AC6.7 DC11
|
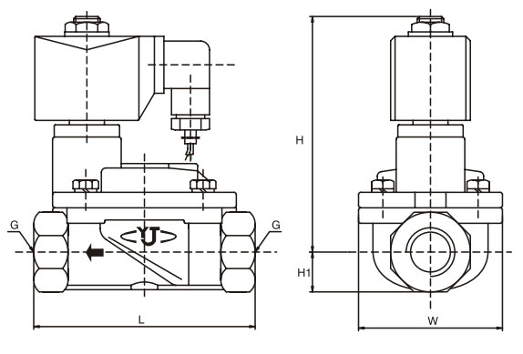
★外形尺寸
|
DN
|
Kv
|
螺纹
|
法兰 |
|
G
|
L
|
W
|
H1
|
D
|
D1
|
n-d
|
L
|
H
|
|
15
|
2.8
|
G1/2
|
70
|
62
|
14
|
/
|
/
|
/
|
/
|
98
|
|
20
|
5.0
|
G3/4
|
100
|
65
|
20
|
Φ105
|
Φ75
|
4-Φ14
|
130
|
102
|
|
25
|
8.5
|
G1
|
105
|
72
|
24
|
Φ115
|
Φ85
|
4-Φ14
|
160
|
106
|
|
32
|
14
|
G11/4
|
140
|
122
|
30
|
Φ135
|
Φ100
|
4-Φ18
|
210
|
141
|
|
40
|
18
|
G11/2
|
140
|
122
|
30
|
Φ145
|
Φ110
|
4-Φ18
|
210
|
141
|
|
50
|
28
|
G2
|
160
|
125
|
37
|
Φ160
|
Φ125
|
4-Φ18
|
230
|
137
|
|
65
|
45
|
/
|
/
|
/
|
/
|
Φ180
|
Φ145
|
4-Φ18
|
265
|
176
|
|
80
|
70
|
/
|
/
|
/
|
/
|
Φ195
|
Φ160
|
4-Φ18
|
310
|
185
|
|
100
|
110
|
/
|
/
|
/
|
/
|
Φ220
|
Φ180
|
4-Φ18
|
350
|
208
|
|