产品名称:气动薄膜三通调节阀
产品型号:ZJHQ/X
气动三通调节阀原理
ZJHQ、ZJHX气动薄膜三通调节阀采用圆筒型薄壁窗口形阀芯导向,不同于柱塞形阀芯的衬套导向。配用多弹簧执行机构,具有结构简单、重量轻、体积小、拆装方便等优点。广泛应用于精确控制气体、液体等介质的工艺参加如压力、流量、温度、液位保持在给定值。适合于把一种流体通过三通阀分成二路流出或理把两种流体经三通阀合并成一种流体的场合。
气动薄膜三通调节阀有三通合流及三通分流两种。公称压力有PN16、40、64;公称通径范围DN25—300。适用流体温度由-60℃至+450℃。泄漏量标准为Ⅳ级。流量特性有直线、抛物线两种。
气动三通调节阀零件材料
| 零件名称 |
材料 |
温度范围 |
阀 体
上下阀盖 |
HT200 |
-20~200℃ |
| ZG230-450 |
-40~450℃ |
| |
ZG1Cr18Ni9Ti |
-250~550℃ |
| 阀芯、阀座、阀杆 |
1Cr18Ni9 |
-250~550℃ |
| 密封垫 |
橡胶石棉板 |
|
| 不锈钢缠绕垫 |
|
| 填料 |
聚四氟乙烯 |
|
| 上下膜盖 |
A3钢板 |
|
| 膜片 |
35CrMoA |
|
| 35、A3 |
|
| 支架、顶盘 |
HT200 |
|
| 压缩弹簧 |
60Si2Mn |
|
| 波纺薄膜 |
5806胶夹480D尼龙66网眼布 |
|
调节机构主要技术参数
| 阀座直径mm |
合流 |
25 |
32 |
40 |
50 |
65 |
80 |
100 |
125 |
150 |
200 |
250 |
300 |
| 分流 |
25 |
32 |
40 |
50 |
65 |
80 |
100 |
125 |
150 |
200 |
250 |
300 |
额定流量
系数kv |
合流 |
8.5 |
13 |
21 |
34 |
52 |
85 |
125 |
210 |
340 |
535 |
800 |
1260 |
| 分流 |
25 |
32 |
40 |
50 |
65 |
85 |
125 |
210 |
340 |
535 |
800 |
1260 |
| 公称压力MPa |
1.6 4.0 6.4 |
| 行 程mm |
16 |
25 |
40 |
60 |
100 |
| 流量特性 |
直线 |
| 介质温度℃ |
-20~200、-40~+250(常温型)、-40~315(中温型) |
| 法兰尺寸 |
铸铁法兰尺寸按JB79-59,铸钢法兰尺寸按JB79-59 |
| 法兰型式 |
法兰密封面型式按JB77-59,其中铸钢法兰按光滑式,铸钢法兰按凹式 |
| 阀体材质 |
HT200,ZG230-450、ZG1Cr18Ni9 |
| 阀芯材质 |
1Cr18Ni9 |
| 上阀盖型式 |
普通式(常温型),热片式(中温型) |
| 可调比 |
30:1 |
| 气源接头 |
M16×1.5 |
执行机构主要技术参数
| 型 号 |
ZHA(B)-3 |
ZHA(B)-4 |
ZHA(B)-5 |
ZHA(B)-6 |
| 有效面积cm2 |
400 |
630 |
1000 |
1600 |
| 行 程mm |
16.25 |
40 |
60 |
1000 |
| 弹簧范围KPa |
20~100;40~200、20~60、60~100、80~240 |
气动三通调节阀性能指标
| 项目 |
不带定位器 |
带定位器 |
| 基本误差% |
±6 |
±1.5 |
| 回差% |
5 |
1.5 |
| 死区% |
4 |
0.6 |
| 始终点偏差% |
气关 |
始点 |
±2.5 |
±1.5 |
| 终点 |
±6.0 |
| 气开 |
始点 |
±6.0 |
| 终点 |
±2.5 |
| 额定行程偏差% |
±2.5 |
| 允许泄漏量L/h |
10-3×阀额定容量 |
允许压差
| 供气压力 |
弹簧压力 |
25 |
32 |
40 |
50 |
65 |
80 |
100 |
125 |
150 |
200 |
250 |
300 |
| 0.14MPa |
20-100 |
1220 |
750 |
500 |
300 |
300 |
200 |
120 |
120 |
80 |
50 |
50 |
25 |

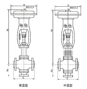
气动三通调节阀连接尺寸
| DN |
合流 |
分流 |
| 行 程 |
D |
L |
H1 |
H2 |
L |
H1 |
H2 |
| PN MPa |
PN MPa |
PN MPa |
PN MPa |
| 1.6 |
4.0 |
6.4 |
常温
|
中温
|
1.6 |
4.0 |
6.4 |
1.6 |
4.0 |
6.4 |
常温
|
中温
|
1.6 |
4.0 |
6.4 |
| 25 |
16 |
325 |
185 |
190 |
200 |
615 |
763 |
140 |
150 |
150 |
185 |
190 |
200 |
615 |
763 |
140 |
150 |
160 |
| 32 |
16 |
325 |
200 |
200 |
210 |
622 |
773 |
150 |
160 |
170 |
200 |
200 |
210 |
622 |
773 |
150 |
160 |
170 |
| 40 |
25 |
325 |
220 |
220 |
235 |
625 |
776 |
160 |
170 |
180 |
220 |
220 |
235 |
625 |
776 |
160 |
170 |
180 |
| 50 |
25 |
325 |
250 |
255 |
265 |
640 |
791 |
180 |
190 |
200 |
250 |
255 |
265 |
640 |
791 |
180 |
190 |
200 |
| 65 |
40 |
410 |
275 |
285 |
295 |
861 |
1024 |
200 |
210 |
220 |
275 |
285 |
295 |
861 |
1024 |
200 |
210 |
220 |
| 80 |
40 |
410 |
300 |
310 |
320 |
879 |
1042 |
210 |
230 |
240 |
300 |
310 |
320 |
885 |
1050 |
225 |
250 |
265 |
| 100 |
40 |
410 |
350 |
360 |
370 |
873 |
1036 |
220 |
250 |
260 |
350 |
360 |
370 |
900 |
1060 |
245 |
275 |
285 |
| 125 |
60 |
495 |
410 |
430 |
440 |
1029 |
1244 |
260 |
300 |
300 |
410 |
430 |
440 |
1050 |
1265 |
285 |
320 |
325 |
| 150 |
60 |
495 |
450 |
465 |
475 |
1046 |
1261 |
280 |
320 |
320 |
450 |
465 |
475 |
1060 |
1275 |
305 |
340 |
345 |
| 200 |
60 |
495 |
550 |
560 |
570 |
1075 |
1290 |
320 |
380 |
380 |
550 |
560 |
570 |
1105 |
1320 |
350 |
400 |
410 |
| 250 |
100 |
600 |
635 |
660 |
670 |
1451 |
1320 |
|
474 |
474 |
635 |
660 |
670 |
1525 |
2800 |
|
540 |
540 |
| 300 |
100 |
600 |
720 |
740 |
770 |
1512 |
1560 |
|
584 |
584 |
720 |
740 |
770 |
1545 |
1820 |
|
612 |
612 |
|